Каталог

Контроллер Teploluxe 2000

К сравнению
В избранное
Артикул:30011
Контроллер Teploluxe 2000
Контроллер Teploluxe 2000
Контроллер Teploluxe 2000
Контроллер Teploluxe 2000
Страна производитель:
Россия
Гарантия:
2 года
Срок службы:
10 года
Напряжение, В
220
Программирование
Да
Диапазон возможной корректировки температуры
от -55°С до +125°С
Температура окружающей среды:
от -20 °С до +55 °С
Управление по Wi-Fi:
Нет
Тип монтажа
На DIN-рейку
Объем коробки, м³:
0,002
Терморегулятор:
1 шт.
Паспорт:
1 шт.
Вернем 788 руб.Возвращаем 2% от стоимости на ваш бонусный счет за покупку. Например, если вы совершили покупку на 10000 рублей, то на ваш бонусный счет будет зачислено 200 рублей

Подробнее

39 400
С НДС 22%
11
Информация о доставке
Самовывоз
Транспортная компания GTD
Рассчитываем стоимость доставки...
ТК Деловые Линии
Рассчитываем стоимость доставки...
СДЭК ПВЗ или курьер
Рассчитываем стоимость доставки...
Прочее
Доставка любой ТК (Оплата по факту, Покупателем)
Бесплатно
Описание
Характеристики
Отзывы
Сопутствующие файлы
Вопрос-Ответ 0

Контроллер Teploluxe 2000

Предназначен для управления системами автоматического обогрева. Используется для управления системами антиобледенения кровли и открытых площадок, обогрева трубопроводов и резервуаров, а также системами обогрева помещений (электрическими нагревательными кабелями,плёночными и другими электронагревателями). 

Режимы работы:
• Кровля
— для управления системой антиобледенения кровли, на основании показаний датчиков: температуры, осадков, воды (в водостоке).
• Кровля / Двор — управляет обогревом кровли и открытых площадок по двум отдельным каналам.
• Поддержание — возможность управления обогревом для 4 независимых каналов.

Функциональные возможности: 

• До четырех независимых каналов (в зависимости от выбранного режима).
• Настраиваемый гистерезис
• Регулировка чувствительности датчиков осадков и воды
• Крепление на DIN-рейку, а также на стену
• Функция задержки отключения обогрева
• Журнал событий
• Защита от одновременного включения нескольких зон
• Блокировка настроек

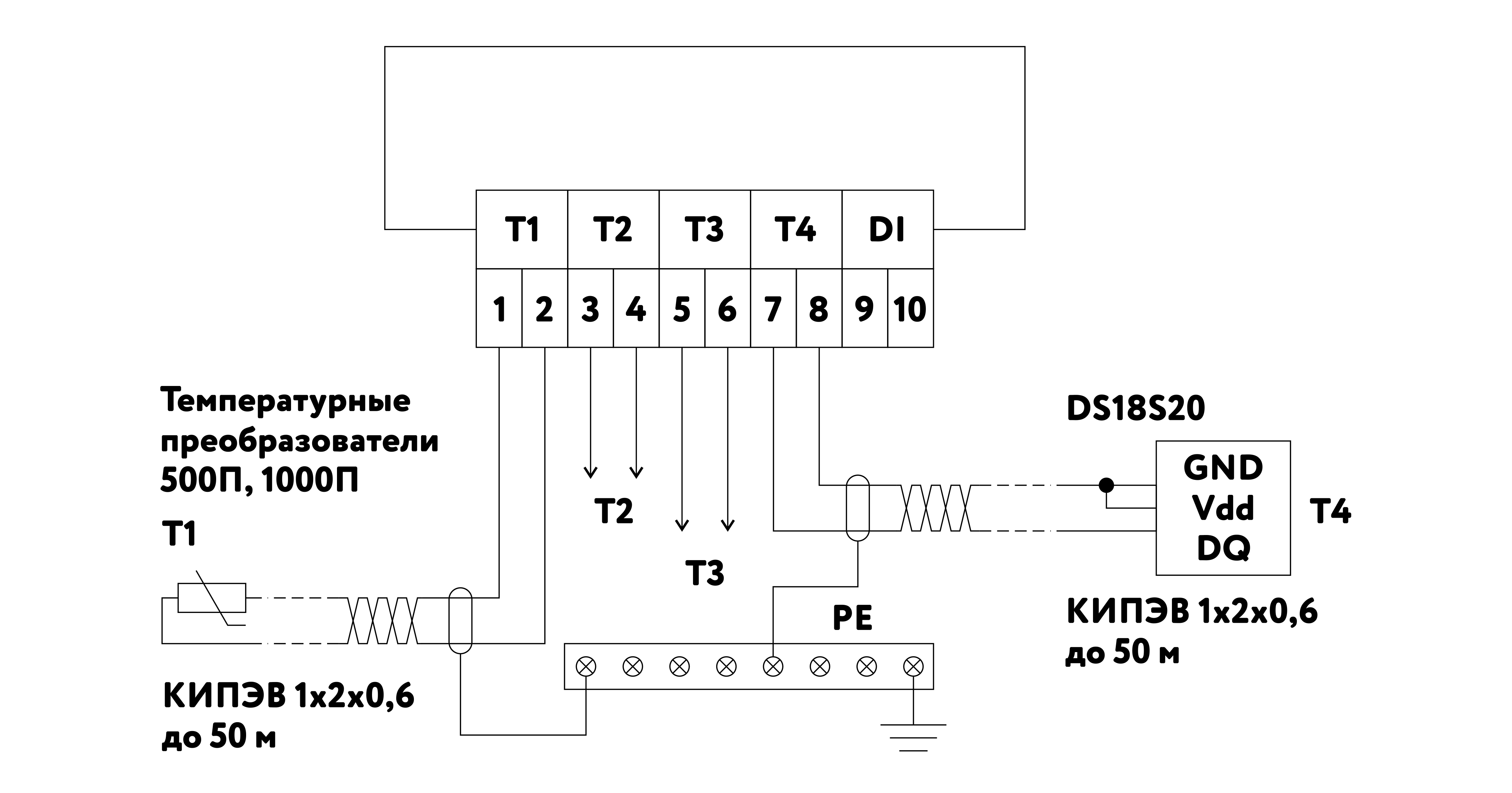
Схема подключения датчиков:

Россия Россия — страна бренда
Россия Россия — страна производства
Характеристики
Бренд:
Родина бренда:
Страна производитель:
Модель:
Гарантия:
Срок службы:
Электрические параметры
Вид комплектующего:
Напряжение, В
Потребляемая мощность:
Особенности и комплектация
Допустимая отн. влажность воздуха
Многоканальный:
Количество подключаемых систем:
Дисплей
Программирование
Поддерживаемые датчики температуры:
Диапазон возможной корректировки температуры
Температура окружающей среды:
Тип терморегулятора
Тип управления
Управление по Wi-Fi:
Тип монтажа
Безопасность
Степень защиты корпуса
Класс электрозащиты:
Габаритные размеры
Размеры прибора (Ш×В×Г), мм:
Размеры в упаковке (Ш×В×Г), мм:
Вес, кг:
Вес в упаковке:
Объем коробки, м³:
Комплектация
Терморегулятор:
Паспорт:
Отзывов ещё нет — ваш может стать первым.
Все отзывы 0
Оцените товар:
Нажмите на кнопку или перетащите фото в эту областьдо 10 изображений PNG, JPEG.
Спасибо!Ваш отзыв появится на сайте после проверки.
Средняя оценка покупателей
0.0 из 5 звезд
Сопутствующие файлы
  • Instrukzia.pdf (14.18 MBytes) - Руководство пользователя Teploluxe 2000
  • Pas.pdf (3.00 MBytes) - Паспорт Teploluxe 2000
  • inf_Teploluxe 2000v2 (2).pdf (1.16 MBytes) - Информационная брошюра Teploluxe 2000
  • Sert.pdf (608.83 KBytes) - Сертификат соответствия
Не заполнено поле "Имя"
Не заполнено поле "Email"
В тексте вопроса должно быть как минимум 3 символа
C этим товаром также покупают
Есть видео
Нагревательный мат Electrolux EEFM 2-180-7 с терморегулятором
Швеция Швеция
24 190 с НДС 22%
Вернем 483.8 руб.Возвращаем 2% от стоимости на ваш бонусный счет за покупку. Например, если вы совершили покупку на 10000 рублей, то на ваш бонусный счет будет зачислено 200 рублей

Подробнее

Мат нагревательный Теплолюкс NEO 480 Вт/3,0 кв.м
Россия Россия
9 490 с НДС 22%
Вернем 189.8 руб.Возвращаем 2% от стоимости на ваш бонусный счет за покупку. Например, если вы совершили покупку на 10000 рублей, то на ваш бонусный счет будет зачислено 200 рублей

Подробнее

Нагревательный мат Теплолюкс Tropix МНН XL 420 Вт/2,8 кв.м
Россия Россия
8 090 с НДС 22%
Вернем 161.8 руб.Возвращаем 2% от стоимости на ваш бонусный счет за покупку. Например, если вы совершили покупку на 10000 рублей, то на ваш бонусный счет будет зачислено 200 рублей

Подробнее

Нагревательный мат Теплолюкс EvoHeat 360/4,5 кв.м
Россия Россия
12 690 с НДС 22%
Вернем 253.8 руб.Возвращаем 2% от стоимости на ваш бонусный счет за покупку. Например, если вы совершили покупку на 10000 рублей, то на ваш бонусный счет будет зачислено 200 рублей

Подробнее

Нагревательный мат Теплолюкс ProfiMat 1620 Вт/9,0 кв.м
Россия Россия
20 990 с НДС 22%
Вернем 419.8 руб.Возвращаем 2% от стоимости на ваш бонусный счет за покупку. Например, если вы совершили покупку на 10000 рублей, то на ваш бонусный счет будет зачислено 200 рублей

Подробнее

Предзаказ
Есть видео
Нагревательный мат Теплолюкс Tropix МНН 480 Вт/3,0 кв.м
5.0
1 отзыв
Россия Россия
7 790 с НДС 22%
Вернем 155.8 руб.Возвращаем 2% от стоимости на ваш бонусный счет за покупку. Например, если вы совершили покупку на 10000 рублей, то на ваш бонусный счет будет зачислено 200 рублей

Подробнее

Предзаказ
Есть видео
Нагревательный кабель Теплолюкс ProfiRoll 12,5 м/225 Вт
Россия Россия
4 490 с НДС 22%
Вернем 89.8 руб.Возвращаем 2% от стоимости на ваш бонусный счет за покупку. Например, если вы совершили покупку на 10000 рублей, то на ваш бонусный счет будет зачислено 200 рублей

Подробнее

Предзаказ
Нагревательный мат Теплолюкс EvoHeat 960/12,0 кв.м
Россия Россия
26 490 с НДС 22%
Вернем 529.8 руб.Возвращаем 2% от стоимости на ваш бонусный счет за покупку. Например, если вы совершили покупку на 10000 рублей, то на ваш бонусный счет будет зачислено 200 рублей

Подробнее