Вентилятор осевой ВО-4М300А Тепломаш
Компактный осевой вентилятор низкого давления с внешнероторным электродвигателем, с защитной решеткой. Предназначен для перемещения воздуха или других невзрывоопасных, неагрессивных газовых смесей, не содержащих липких веществ и волокнистых материалов, с концентрацией пыли и других твёрдых примесей не более 10 мг/м3. Используется в системах вентиляции производственных, общественных и жилых зданий.
Климатическое исполнение вентиляторов — У2 (умеренный макроклиматический район, эксплуатация под навесом: защита от вертикальных струй воды, допускается обрызгивание, попадание пыли, снега, температура перемещаемой среды от -30 °С до +60 °С).
Конструктивно вентилятор типа А представляет собой защитно-декоративную решетку в сборе с электродвигателем и рабочим колесом.
Преимущества и особенности:
- Направление потока заводской сборки вентиляторов — от защитной решетки на рабочее колесо.
- Корпус из стали обладает высокой коррозийной устойчивостью и механической прочностью.
- Внешнероторный электродвигатель со встроенной термозащитой. Степень защиты двигателя IP54.
- Лопатки, решётка и ротор защищены чёрным лаковым покрытием.
- Регулирование скорости вентиляторов с помощью трансформаторных регуляторов.
Аэродинамические характеристики:

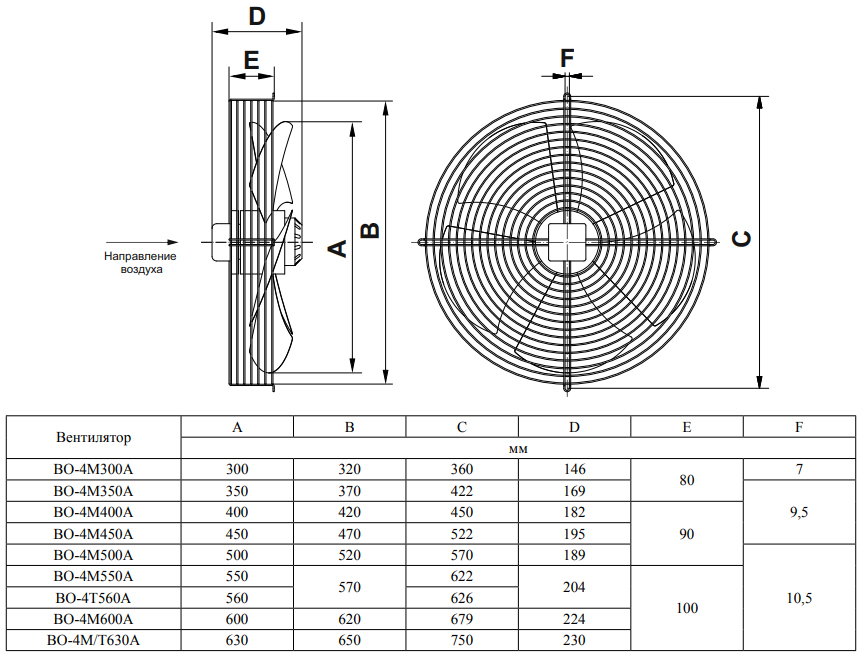
Размеры:


- passport_VOvneshnerotor.pdf (0.97 MBytes) - Паспорт Вентиляторы осевые с внешнероторным двигателем ВО.
- ventilyatory-VO.pdf (4.92 MBytes) - Декларация о соответствии
- ventilyatory-teplomash-VOM.pdf (0.82 MBytes) - Описание вентиляторов осевых с внешнероторным двигателем ВО.











































